Through many years of experience with rainwater harvesting systems we have developed a simple design philosophy when it comes to designing and building sustainable systems. This forms the backbone of how our company works and implement our designs. "A rainwater harvesting system is only as good the quality or the rainwater that is recovered and stored in the system. To design a successful system our engineers, focus on water recovery and the quality of water within the system prior to treatment "
In the design of our systems, we focus on:
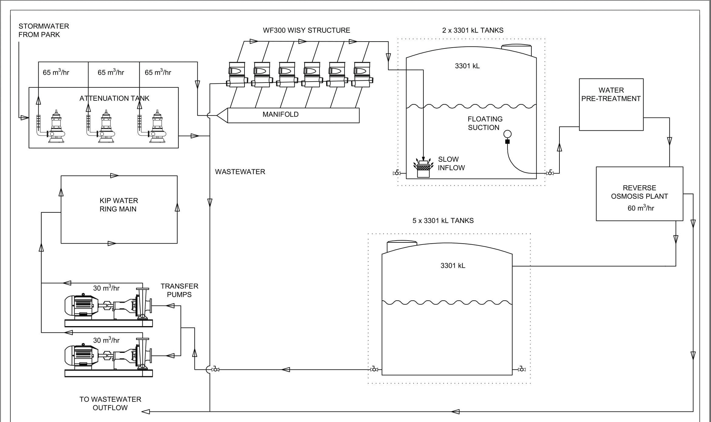
- Good primary rainwater filtration integrated with first flush diversion.
- Effective and well sized water transport systems to the storage tanks.
- Effective positioning and design of storage systems that will enhance and maintain water quality.
- Effective oxygenation of rainwater with calming inlets and minimal water disturbance in storage tank.
- Effective water circulation in the tanks storage systems, making extensive use of floating suctions. continuous surface skimming of water inside the tanks with effective overflows and protection of rainwater quality inside the tanks.
- Effective pressurized or natural water treatment to the required standard.
Rainwater harvesting flow diagram from industrial park